This website requires JavaScript.
Explore
Help
Sign In
RCEU
/
RCEU-KiCAD_Libraries
Watch
1
Star
0
Fork
0
You've already forked RCEU-KiCAD_Libraries
Code
Issues
Pull Requests
Packages
Projects
Releases
Wiki
Activity
Files
ac2f4605932e5fb6cf51b5e8c3da23316e2626ce
RCEU-KiCAD_Libraries
/
KiCAD-Libraries
/
library
/
datasheet
/
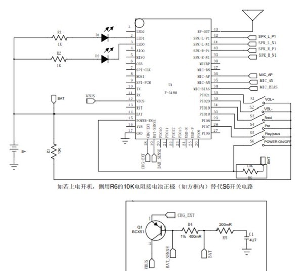
F-3188_CSR8645_bluetooth
/
UT86GUjXaXcXXagOFbX5.jpg
tomse
518921e56e
initial commit
2023-12-21 19:24:41 +01:00
49 KiB
601x537px
Raw
History
Reference in New Issue
View Git Blame
Copy Permalink